|
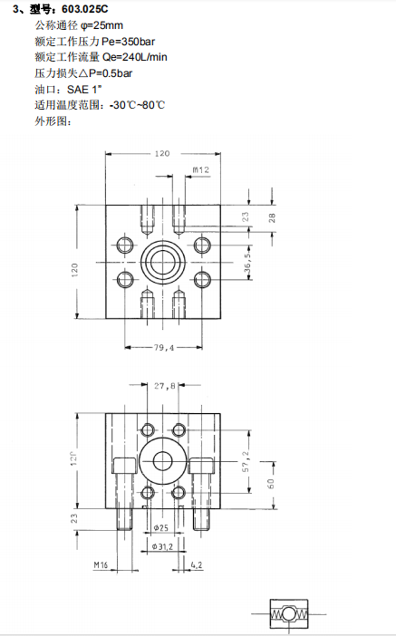
TRIES双管路防爆阀双管路防爆阀是液压系统中的安全部件,主要是在设备运行过程中,防止因液压胶管的爆管,造成设备无法正常运作,从而造成一定的经济损失及人身伤亡等安全事故。 双管路防爆阀的主要作用在于有效的杜绝因液压系统中爆管所造成的安全隐患。其特点 是采用两根进油胶管,正常工作状态下,两根油管同时起到油路的进油作用。而其中任意一 根油管发生爆破时,防爆阀的阀芯在两端压力差的作用下,被推向爆破一端堵住油口,阻止 油液外泻;而另一端油口正常供油,不影响设备的正常使用。而单管路防爆阀的特点是当液 压胶管爆破时,只能堵住液压系统(如油缸等)内的油液不外泻,而无法保证设备继续正常 运行。因此双管路防爆阀是实现液压机械设备连续运行的关键,而使用单管路防爆阀的机械 设备无此功能。 此系列双管路防爆阀均采用德国原产进口产品,性能优越稳定。 双管路防爆阀在一些工程机械、特种车辆、高空作业设备上都有很好的应用。 我司经销的TRIES双管路防爆阀,德国原装进口,产品质量稳定,价格优惠,在上海仓库有大量现货库存,服务周到。主要应用行业如下: 1、钢铁厂特种运输车辆:铁水车、框架车、抱罐车等。包括液压悬挂系统与大臂液压系统。 2、造船厂特种运输车辆:液压模块车。主要用于液压悬挂系统。 3、高空作业车 4、其它需要严格保证安全,在液压软管爆裂失效后仍然能够正常工作的场合。
|







